中国共产主义青年团重庆市南岸区委员会
2024年度决算公开说明
一、部门基本情况
中国共产主义青年团是中国共产党领导的先进青年的群众组织,是中国共产党联系青年群众的桥梁和纽带,也是中国共产党的助手和后备军。共青团的基本职能是:组织青年、引导青年、服务青年、维护青少年权益。我委的主要职责包括:指导全区共青团组织发展和团员队伍管理、教育工作;培养、树立、宣传全区各条战线上的各类优秀青年典型;负责组织指导全区共青团和青少年工作的宣传报道,宣传党的方针、政策;指导全区团组织围绕提高青年的思想道德素质、文化技术素质开展工作;负责全区青年志愿者工作;指导全区少先队工作,组织开展各种形式的有利于少年儿童成长的活动;维护青少年合法权益。
二、部门决算情况说明
(一)收入支出决算总体情况说明。
1.总体情况。2024年度收入总计1095.78万元,支出总计1095.78万元。收、支与2023年度相比,增加236.44万元,增长27.5%,主要原因是增加了青少年活动中心校外培训事业收入及相关支出。
2.收入情况。2024年度收入合计1095.78万元,与2023年度相比,增加244.07万元,增长28.7%,主要原因是增加了青少年活动中心校外培训事业收入,工资档次提升增加了工资,社保基数调整进行了补缴社保,增加了培训费、工会经费等。其中:财政拨款收入527.77万元,占48.2%;事业收入568万元,占51.8%;经营收入0万元,占0.0%;其他收入0万元,占0.0%。此外,使用非财政拨款结余和专用结余0万元,年初结转和结余0万元。
3.支出情况。2024年度支出合计1080.31万元,与2023年度相比,增加220.97万元,增长25.7%,主要原因是增加了青少年活动中心校外培训事业支出,工资档次提升增加了工资,社保基数调整进行了补缴社保等。其中:基本支出236.9万元,占21.9%;项目支出843.41万元,占78.1%;经营支出0万元,占0.0%。此外,结余分配0万元。
4.结转结余情况。2024年度年末结转和结余15.47万元,与2023年度相比,增加15.47万元,增长100.0%,主要原因是为青少年活动中心校外培训活动结转结余。
(二)财政拨款收入支出决算总体情况说明
2024年度财政拨款收、支总计527.77万元。与2023年相比,财政拨款收、支总计各减少38.57万元,下降6.8%。主要原因是减少了政府性基金青少年活动中心校外场所公益活动经费及青少年活动中心运行维护费等。
(三)一般公共预算财政拨款收入支出决算情况说明
1.收入情况。2024年度一般公共预算财政拨款收入481.8万元,与2023年度相比,增加5.54万元,增长1.2%。主要原因是工资档次提升增加了工资,社保基数调整进行了补缴社保,减少了青少年活动中心运行维护费等。较年初预算数增加66.83万元,增长16.1%。主要原因是增加了西部计划志愿者保险经费等。此外,年初财政拨款结转和结余0万元。
2.支出情况。2024年度一般公共预算财政拨款支出481.8万元,与2023年度相比,减少2.1万元,下降0.4%。主要原因是工资档次提升增加了工资,社保基数调整进行了补缴社保,减少了青少年活动中心运行维护费等。较年初预算数增加66.83万元,增长16.1%。主要原因是增加了西部计划志愿者保险经费等。
3.结转结余情况。2024年度年末一般公共预算财政拨款结转和结余0万元,与2023年度相比,无增减。
4.比较情况。本部门2024年度一般公共预算财政拨款支出主要用于以下几个方面:
(1)一般公共服务支出425.15万元,占88.2%,较年初预算数增加59.27万元,增长16.2%,主要原因是增加了西部计划志愿者保险经费等。
(2)社会保障与就业支出31.06万元,占6.5%,较年初预算数增加7万元,增长29.1%,主要原因是工资档次提升,调整补缴了社保基数。
(3)卫生健康支出11.63万元,占2.4%,较年初预算数无增减。
(4)住房保障支出13.95万元,占2.9%,较年初预算数增加0.55万元,增长4.1%,主要原因是工资档次提升增加了住房公积金。
(四)一般公共预算财政拨款基本支出决算情况说明
2024年度一般公共财政拨款基本支出236.9万元。其中:人员经费200.34万元,与2023年度相比,增加21.71万元,增长12.2%,主要原因是工资档次提升增加了工资,社保基数调整进行了补缴社保等。人员经费用途主要包括基本工资、奖金、绩效工资、养老保险、职业年金等。公用经费36.56万元,与2023年度相比,增加3.94万元,增长12.1%,主要原因是增加了公用经费开支。公用经费用途主要包括培训费、工会经费等。
(五)政府性基金预算收支决算情况说明
2024年度政府性基金预算财政拨款年初结转结余0万元,年末结转结余0万元。本年收入45.98万元,与2023年度相比,减少36.46万元,下降44.2%,主要原因是减少了政府性基金青少年活动中心校外场所公益活动经费。本年支出45.98万元,与2023年度相比,减少36.46万元,下降44.2%,主要原因是减少了政府性基金青少年活动中心校外场所公益活动经费。
(六)国有资本经营预算财政拨款支出决算情况说明
本部门2024年度无国有资本经营预算财政拨款支出。
三、“三公”经费情况说明
(一)“三公”经费支出总体情况说明
2024年度“三公”经费支出共计0万元,较年初预算数减少0.5万元,下降100.0%,主要原因是厉行节俭,本年未发生“三公”经费支出。较上年支出数减少0.29万元,下降100.0%,主要原因是厉行节俭,本年未发生“三公”经费支出。
(二)“三公”经费分项支出情况
2024年度本部门(单位)因公出国(境)费用0万元,费用支出较年初预算数无增减,较上年支出数无增减。
公务车购置费0万元,费用支出较年初预算数无增减,较上年支出数无增减。
公务车运行维护费0万元,费用支出较年初预算数无增减,较上年支出数无增减。
公务车运行维护费0万元,费用支出较年初预算数无增减,较上年支出数无增减。
(三)“三公”经费实物量情况
2024年度本部门因公出国(境)共计0个团组,0人;公务用车购置0辆,公务车保有量为0辆;国内公务接待0批次0人,其中:国内外事接待0批次,0人;国(境)外公务接待0批次,0人。2024年本部门人均接待费0元,车均购置费0万元,车均维护费0万元。
四、其他需要说明的事项
(一)财政拨款会议费和培训费情况说明
本年度会议费支出0.86万元,与2023年度相比,减少1.44万元,下降62.6%,主要原因是会议次数减少,会议费减少。本年度培训费支出2.45万元,与2023年度相比,增加1.32万元,增长116.8%,主要原因是本年实际参加团市委组织井冈山培训班、西部志愿者集中培训费等。
(二)机关运行经费情况说明
2024年度本部门机关运行经费支出23.89万元,机关运行经费主要用于开支办公费、培训费、工会经费等。机关运行经费较上年支出数增加3.93万元,增长19.7%,主要原因是增加了培训费、工会经费等。
(三)国有资产占用情况说明
截至2024年12月31日,本部门共有车辆0辆,其中,副部(省)级及以上领导用车0辆、主要负责人用车0辆、机要通信用车0辆、应急保障用车0辆、执法执勤用车0辆,特种专业技术用车0辆,离退休干部用车0辆。单价100万元(含)以上专用设备0台(套)。
(四)政府采购支出情况说明
2024年度本部门政府采购支出总额113.67万元,其中:政府采购货物支出0万元、政府采购工程支出0万元、政府采购服务支出113.67万元。授予中小企业合同金额113.67万元,占政府采购支出总额的100.0%,其中:授予小微企业合同金额0万元,占政府采购支出总额的0.0%。
五、预算绩效管理情况说明
(一)部门自评情况
根据预算绩效管理要求,我部门对部门整体和6个二级项目开展了绩效自评,涉及财政拨款项目支出资金290.88万元。
|
2024年度部门整体绩效自评表 |
||||||||||||||
|
项目主管部门: |
234-中国共产主义青年团重庆市南岸区委员会 |
自评总分(分): |
100 |
|||||||||||
|
部门联系人: |
童年华 |
联系电话: |
023-62988721 |
|||||||||||
|
资金情况(单位:万元) |
||||||||||||||
|
年初预算数 |
全年(调整)预算数 |
全年执行数 |
执行率 |
执行率权重 |
执行率得分 | |||||||||
|
年度总金额 |
4,709,690.07 |
5,277,732.07 |
5,277,732.07 |
|||||||||||
|
其中:财政拨款 |
4,709,690.07 |
5,277,732.07 |
5,277,732.07 |
100 |
10 |
10 | ||||||||
|
绩效目标 |
||||||||||||||
|
年初绩效目标 |
全年(调整)绩效目标 |
全年目标实际完成情况 |
||||||||||||
|
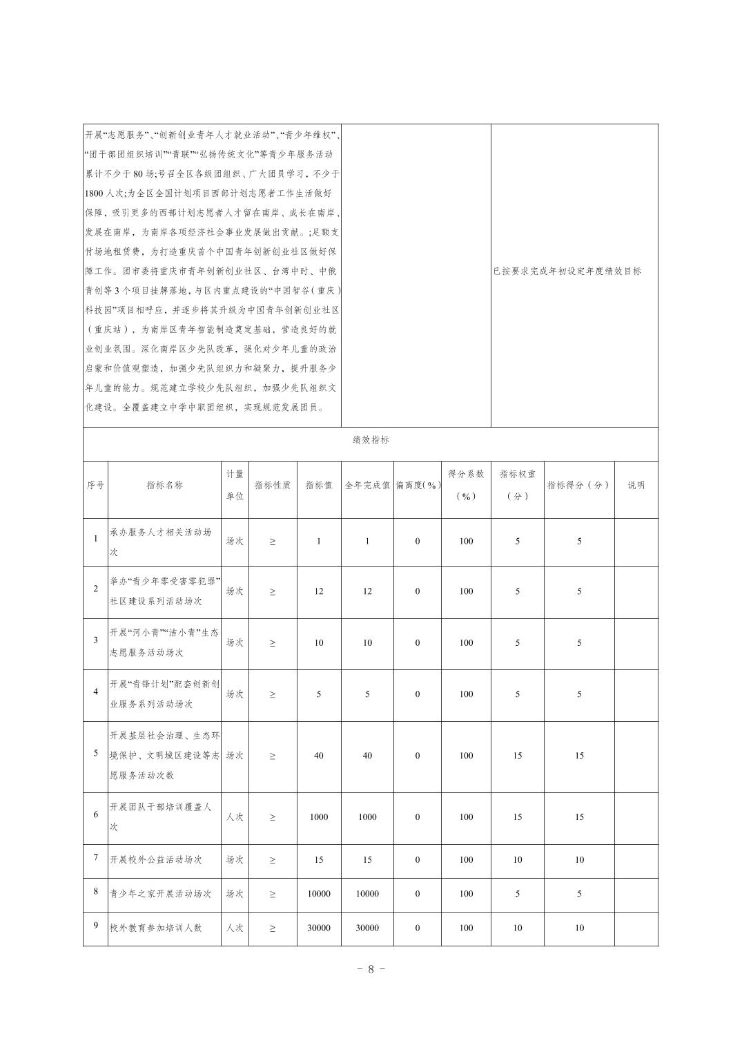
开展“志愿服务”、“创新创业青年人才就业活动”、“青少年维权”、“团干部团组织培训”“青联”“弘扬传统文化”等青少年服务活动累计不少于80场;号召全区各级团组织、广大团员学习,不少于1800人次;为全区全国计划项目西部计划志愿者工作生活做好保障,吸引更多的西部计划志愿者人才留在南岸、成长在南岸、发展在南岸,为南岸各项经济社会事业发展做出贡献。;足额支付场地租赁费,为打造重庆首个中国青年创新创业社区做好保障工作。团市委将重庆市青年创新创业社区、台湾中时、中俄青创等3个项目挂牌落地,与区内重点建设的“中国智谷(重庆)科技园”项目相呼应,并逐步将其升级为中国青年创新创业社区(重庆站),为南岸区青年智能制造奠定基础,营造良好的就业创业氛围。深化南岸区少先队改革,强化对少年儿童的政治启蒙和价值观塑造,加强少先队组织力和凝聚力,提升服务少年儿童的能力。规范建立学校少先队组织,加强少先队组织文化建设。全覆盖建立中学中职团组织,实现规范发展团员。 |
已按要求完成年初设定年度绩效目标 |
|||||||||||||
|
绩效指标 |
||||||||||||||
|
序号 |
指标名称 |
计量单位 |
指标性质 |
指标值 |
全年完成值 |
偏离度(%) |
得分系数(%) |
指标权重(分) |
指标得分(分) |
说明 |
||||
|
1 |
承办服务人才相关活动场次 |
场次 |
≥ |
1 |
1 |
0 |
100 |
5 |
5 |
|||||
|
2 |
举办“青少年零受害零犯罪”社区建设系列活动场次 |
场次 |
≥ |
12 |
12 |
0 |
100 |
5 |
5 |
|||||
|
3 |
开展“河小青”“洁小青”生态志愿服务活动场次 |
场次 |
≥ |
10 |
10 |
0 |
100 |
5 |
5 |
|||||
|
4 |
开展“青锋计划”配套创新创业服务系列活动场次 |
场次 |
≥ |
5 |
5 |
0 |
100 |
5 |
5 |
|||||
|
5 |
开展基层社会治理、生态环境保护、文明城区建设等志愿服务活动次数 |
场次 |
≥ |
40 |
40 |
0 |
100 |
15 |
15 |
|||||
|
6 |
开展团队干部培训覆盖人次 |
人次 |
≥ |
1000 |
1000 |
0 |
100 |
15 |
15 |
|||||
|
7 |
开展校外公益活动场次 |
场次 |
≥ |
15 |
15 |
0 |
100 |
10 |
10 |
|||||
|
8 |
青少年之家开展活动场次 |
场次 |
≥ |
10000 |
10000 |
0 |
100 |
5 |
5 |
|||||
|
9 |
校外教育参加培训人数 |
人次 |
≥ |
30000 |
30000 |
0 |
100 |
10 |
10 |
|||||
|
10 |
招募西部计划志愿者数量 |
人 |
= |
80 |
80 |
0 |
100 |
5 |
5 |
|||||
|
11 |
提升青年婚恋成功比例 |
% |
≥ |
20 |
20 |
0 |
100 |
5 |
5 |
|||||
|
12 |
志愿者数量增长率 |
% |
≥ |
20 |
20 |
0 |
100 |
10 |
10 |
|||||
|
13 |
全区被服务青年满意度 |
% |
≥ |
85 |
85 |
0 |
100 |
5 |
5 |
|||||
|
中国共产主义青年团重庆市南岸区委员会 2024年度项目支出绩效自评表 | ||||||||||
|
序号 |
项目名称 |
指标名称 |
计量单位 |
指标性质 |
指标值 |
全年完成值 |
指标权重 |
指标得分 |
说明 |
自评得分 |
|
1 |
西部计划志愿者保险经费 |
保障全区西部计划志愿者人数 |
项、个、人 |
≤ |
70 |
70 |
20 |
20 |
100 | |
|
按时足额发放全区西部计划志愿生活补贴 |
% |
= |
100 |
100 |
20 |
20 |
||||
|
持续提升西部计划志愿服务南岸的热情 |
% |
≥ |
80 |
80 |
20 |
20 |
||||
|
开展生态环保类志愿服务场次 |
场次 |
≥ |
20 |
20 |
20 |
20 |
||||
|
全区西部计划志愿者满意度 |
% |
= |
100 |
100 |
10 |
10 |
||||
|
2 |
南岸区国家计划志愿者补贴 |
保障全区西部计划志愿者人数 |
人 |
= |
26 |
26 |
20 |
20 |
100 | |
|
发放全区西部计划志愿者生活补贴及时率 |
% |
= |
100 |
100 |
20 |
20 |
||||
|
西部计划志愿者服务南岸的热情 |
% |
≥ |
20 |
20 |
20 |
20 |
||||
|
开展生态环保类志愿者场次 |
场次 |
≥ |
20 |
20 |
20 |
20 |
||||
|
全区西部计划志愿者满意度 |
% |
≥ |
100 |
100 |
10 |
10 |
||||
|
3 |
南岸区青少年事业发展资金 |
青年大学习参学人数 |
万人次 |
≥ |
20 |
20 |
15 |
15 |
100 | |
|
青少年活动开展场次 |
场次 |
≥ |
30 |
30 |
15 |
15 |
||||
|
青少年零犯罪零受害社区个案矫正案例 |
个 |
≥ |
1 |
1 |
15 |
15 |
||||
|
新媒体信息日均阅读量 |
人次 |
≥ |
600 |
600 |
10 |
10 |
||||
|
持续打造小暖男志愿服务品牌 |
% |
≥ |
80 |
80 |
15 |
15 |
||||
|
提升相亲活动青年婚恋成功比例 |
% |
≥ |
20 |
20 |
10 |
10 |
||||
|
参与青年满意度 |
% |
≥ |
90 |
90 |
10 |
10 |
||||
|
4 |
南岸区中少工作 |
开展“红领巾心向党”“永远跟党走”等主题活动 |
人次 |
≥ |
2000 |
2000 |
15 |
15 |
100 | |
|
开展“红领巾争章活动”,参与的中队数量 |
个 |
≥ |
1000 |
1000 |
15 |
15 |
||||
|
开展辅导员培训场次 |
场次 |
≥ |
1 |
1 |
10 |
10 |
||||
|
强化少先队员思想政治引领,按时开展主题队日 |
% |
≥ |
80 |
80 |
10 |
10 |
||||
|
组织中学中职志愿服务、“三下乡”等社会实践活动 |
场次 |
≥ |
2 |
2 |
10 |
10 |
||||
|
落实全团入队要求,覆盖小学比例 |
% |
= |
100 |
100 |
10 |
10 |
||||
|
深化中学共青团改革,充分发挥中学共青团立德树人重要作用,提高团校覆盖中学中职比率 |
% |
≥ |
90 |
90 |
10 |
10 |
||||
|
服务少年儿童满意度 |
% |
≥ |
90 |
90 |
10 |
10 |
||||
|
5 |
青少年活动中心运行维护费 |
参加培训人数 |
人次 |
≥ |
30000 |
30000 |
10 |
10 |
100 | |
|
打造活动中心特色文化品牌 |
个 |
= |
2 |
2 |
10 |
10 |
||||
|
开设课程种类 |
种 |
≥ |
15 |
15 |
10 |
10 |
||||
|
开展公益活动数 |
场 |
≥ |
15 |
15 |
15 |
15 |
||||
|
新媒体平台阅读量 |
次 |
≥ |
5000 |
5000 |
5 |
5 |
||||
|
招生人数 |
人 |
≥ |
1000 |
1000 |
15 |
15 |
||||
|
辐射南岸区青少年人次 |
人次 |
≥ |
20000 |
20000 |
15 |
15 |
||||
|
师生、家长满意度 |
% |
≥ |
85 |
85 |
10 |
10 |
||||
|
6 |
青少年活动中心校外场所公益活动经费 |
服务青少年人次 |
人/次 |
≥ |
800 |
800 |
15 |
15 |
100 | |
|
开展主题活动数 |
个 |
= |
13 |
13 |
15 |
15 |
||||
|
微信公众号阅读量 |
次 |
≥ |
10000 |
10000 |
10 |
10 |
||||
|
宣传推广次数 |
次 |
≥ |
15 |
15 |
10 |
10 |
||||
|
不发生安全事故 |
次 |
≤ |
0 |
0 |
10 |
10 |
||||
|
形成社会良好口碑,增加学员人数 |
人 |
≥ |
100 |
100 |
10 |
10 |
||||
|
打造可持续有影响力的品牌活动 |
个 |
≥ |
1 |
1 |
10 |
10 |
||||
|
青少年满意度 |
% |
≥ |
90 |
90 |
10 |
10 |
||||
(二)部门绩效评价情况
我部门未组织开展绩效评价。
(三)财政绩效评价情况
区财政局未委托第三方对我部门开展绩效评价。
六、专业名词解释
(一)财政拨款收入:指本年度从本级财政部门取得的财政拨款,包括一般公共预算财政拨款和政府性基金预算财政拨款。
(二)事业收入:指事业单位开展专业业务活动及其辅助活动取得的现金流入;事业单位收到的财政专户实际核拨的教育收费等资金在此反映。
(三)经营收入:指事业单位在专业业务活动及其辅助活动之外开展非独立核算经营活动取得的现金流入。
(四)其他收入:指单位取得的除“财政拨款收入”、“事业收入”、“经营收入”等以外的收入,包括未纳入财政预算或财政专户管理的投资收益、银行存款利息收入、租金收入、捐赠收入,现金盘盈收入、存货盘盈收入、收回已核销的应收及预付款项、无法偿付的应付及预收款项等。各单位从本级财政部门以外的同级单位取得的经费、从非本级财政部门取得的经费,以及行政单位收到的财政专户管理资金反映在本项内。
(五)基本支出:指为保障机构正常运转、完成日常工作任务而发生的人员经费和公用经费。其中:人员经费指政府收支分类经济科目中的“工资福利支出”和“对个人和家庭的补助”;公用经费指政府收支分类经济科目中除“工资福利支出”和“对个人和家庭的补助”外的其他支出。
(六)项目支出:指在基本支出之外为完成特定行政任务和事业发展目标所发生的支出。
(七)机关运行经费:为保障行政单位(含参照公务员法管理的事业单位)运行用于购买货物和服务等的各项公用经费,包括办公及印刷费、邮电费、差旅费、会议费、福利费、日常维护费、专用材料及一般设备购置费、办公用房水电费、办公用房取暖费、办公用房物业管理费、公务用车运行维护费以及其他费用。
七、决算公开联系方式及信息反馈渠道
本单位决算公开信息反馈和联系方式:023-62988721
|
收入支出决算总表 | |||
|
公开01表 | |||
|
公开部门:中国共产主义青年团重庆市南岸区委员会 |
单位:万元 | ||
|
收入 |
支出 | ||
|
项目 |
决算数 |
功能分类科目 |
决算数 |
|
一、一般公共预算财政拨款收入 |
481.80 |
一、一般公共服务支出 |
977.69 |
|
二、政府性基金预算财政拨款收入 |
45.98 |
二、外交支出 |
|
|
三、国有资本经营预算财政拨款收入 |
三、国防支出 |
||
|
四、上级补助收入 |
四、公共安全支出 |
||
|
五、事业收入 |
568.00 |
五、教育支出 |
|
|
六、经营收入 |
六、科学技术支出 |
||
|
七、附属单位上缴收入 |
七、文化旅游体育与传媒支出 |
||
|
八、其他收入 |
八、社会保障和就业支出 |
31.06 | |
|
九、卫生健康支出 |
11.63 | ||
|
十、节能环保支出 |
|||
|
十一、城乡社区支出 |
|||
|
十二、农林水支出 |
|||
|
十三、交通运输支出 |
|||
|
十四、资源勘探工业信息等支出 |
|||
|
十五、商业服务业等支出 |
|||
|
十六、金融支出 |
|||
|
十七、援助其他地区支出 |
|||
|
十八、自然资源海洋气象等支出 |
|||
|
十九、住房保障支出 |
13.95 | ||
|
二十、粮油物资储备支出 |
|||
|
二十一、国有资本经营预算支出 |
|||
|
二十二、灾害防治及应急管理支出 |
|||
|
二十三、其他支出 |
45.98 | ||
|
二十四、债务还本支出 |
|||
|
二十五、债务付息支出 |
|||
|
二十六、抗疫特别国债安排的支出 |
|||
|
本年收入合计 |
1,095.78 |
本年支出合计 |
1,080.31 |
|
使用非财政拨款结余和专用结余 |
结余分配 |
||
|
年初结转和结余 |
年末结转和结余 |
15.47 | |
|
总计 |
1,095.78 |
总计 |
1,095.78 |
备注:1.本表反映部门本年度的总收支和年末结转结余情况。
2.本套报表金额单位转换时可能存在尾数误差。
|
收入决算表 | |||||||||
|
公开部门:中国共产主义青年团重庆市南岸区委员会 |
公开02表 | ||||||||
|
单位:万元 | |||||||||
|
项目 |
本年收入合计 |
财政拨款收入 |
上级补助收入 |
事业收入 |
经营收入 |
附属单位上缴收入 |
其他收入 | ||
|
功能分类科目编码 |
项目(按“项”级功能分类科目) |
小计 |
其中:教育收费 | ||||||
|
合计 |
1,095.78 |
527.77 |
568.00 |
||||||
|
201 |
一般公共服务支出 |
993.16 |
425.15 |
568.00 |
|||||
|
20129 |
群众团体事务 |
993.16 |
425.15 |
568.00 |
|||||
|
2012901 |
行政运行 |
100.50 |
100.50 |
||||||
|
2012902 |
一般行政管理事务 |
172.66 |
172.66 |
||||||
|
2012950 |
事业运行 |
79.75 |
79.75 |
||||||
|
2012999 |
其他群众团体事务支出 |
640.24 |
72.24 |
568.00 |
|||||
|
208 |
社会保障和就业支出 |
31.06 |
31.06 |
||||||
|
20805 |
行政事业单位养老支出 |
31.06 |
31.06 |
||||||
|
2080505 |
机关事业单位基本养老保险缴费支出 |
20.71 |
20.71 |
||||||
|
2080506 |
机关事业单位职业年金缴费支出 |
10.35 |
10.35 |
||||||
|
210 |
卫生健康支出 |
11.63 |
11.63 |
||||||
|
21011 |
行政事业单位医疗 |
11.63 |
11.63 |
||||||
|
2101101 |
行政单位医疗 |
6.31 |
6.31 |
||||||
|
2101102 |
事业单位医疗 |
3.72 |
3.72 |
||||||
|
2101103 |
公务员医疗补助 |
0.80 |
0.80 |
||||||
|
2101199 |
其他行政事业单位医疗支出 |
0.80 |
0.80 |
||||||
|
221 |
住房保障支出 |
13.95 |
13.95 |
||||||
|
22102 |
住房改革支出 |
13.95 |
13.95 |
||||||
|
2210201 |
住房公积金 |
13.95 |
13.95 |
||||||
|
229 |
其他支出 |
45.98 |
45.98 |
||||||
|
22960 |
彩票公益金安排的支出 |
45.98 |
45.98 |
||||||
|
2296004 |
用于教育事业的彩票公益金支出 |
45.98 |
45.98 |
||||||
备注:1.本表反映部门本年度取得的各项收入情况。
2.本套报表金额单位转换时可能存在尾数误差。
|
支出决算表 | |||||||
|
公开部门:中国共产主义青年团重庆市南岸区委员会 |
公开03表 | ||||||
|
单位:万元 | |||||||
|
项目 |
本年支出合计 |
基本支出 |
项目支出 |
上缴上级支出 |
经营支出 |
对附属单位补助支出 | |
|
功能分类科目编码 |
项目(按“项”级功能分类科目) | ||||||
|
合计 |
1,080.31 |
236.90 |
843.41 |
||||
|
201 |
一般公共服务支出 |
977.69 |
180.25 |
797.44 |
|||
|
20129 |
群众团体事务 |
977.69 |
180.25 |
797.44 |
|||
|
2012901 |
行政运行 |
100.50 |
100.50 |
||||
|
2012902 |
一般行政管理事务 |
172.66 |
172.66 |
||||
|
2012950 |
事业运行 |
79.75 |
79.75 |
||||
|
2012999 |
其他群众团体事务支出 |
624.78 |
624.78 |
||||
|
208 |
社会保障和就业支出 |
31.06 |
31.06 |
||||
|
20805 |
行政事业单位养老支出 |
31.06 |
31.06 |
||||
|
2080505 |
机关事业单位基本养老保险缴费支出 |
20.71 |
20.71 |
||||
|
2080506 |
机关事业单位职业年金缴费支出 |
10.35 |
10.35 |
||||
|
210 |
卫生健康支出 |
11.63 |
11.63 |
||||
|
21011 |
行政事业单位医疗 |
11.63 |
11.63 |
||||
|
2101101 |
行政单位医疗 |
6.31 |
6.31 |
||||
|
2101102 |
事业单位医疗 |
3.72 |
3.72 |
||||
|
2101103 |
公务员医疗补助 |
0.80 |
0.80 |
||||
|
2101199 |
其他行政事业单位医疗支出 |
0.80 |
0.80 |
||||
|
221 |
住房保障支出 |
13.95 |
13.95 |
||||
|
22102 |
住房改革支出 |
13.95 |
13.95 |
||||
|
2210201 |
住房公积金 |
13.95 |
13.95 |
||||
|
229 |
其他支出 |
45.98 |
45.98 |
||||
|
22960 |
彩票公益金安排的支出 |
45.98 |
45.98 |
||||
|
2296004 |
用于教育事业的彩票公益金支出 |
45.98 |
45.98 |
||||
备注:1.本表反映部门本年度各项支出情况。
2.本套报表金额单位转换时可能存在尾数误差。
|
财政拨款收入支出决算总表 | ||||||
|
公开部门:中国共产主义青年团重庆市南岸区委员会 |
公开04表 | |||||
|
单位:万元 | ||||||
|
收入 |
支出 | |||||
|
项目 |
决算数 |
功能分类科目 |
决算数 | |||
|
小计 |
一般公共预算财政拨款 |
政府性基金预算财政拨款 |
国有资本经营预算财政拨款 | |||
|
一、一般公共预算财政拨款 |
481.80 |
一、一般公共服务支出 |
425.15 |
425.15 |
||
|
二、政府性基金预算财政拨款 |
45.98 |
二、外交支出 |
||||
|
三、国有资本经营预算财政拨款 |
三、国防支出 |
|||||
|
四、公共安全支出 |
||||||
|
五、教育支出 |
||||||
|
六、科学技术支出 |
||||||
|
七、文化旅游体育与传媒支出 |
||||||
|
八、社会保障和就业支出 |
31.06 |
31.06 |
||||
|
九、卫生健康支出 |
11.63 |
11.63 |
||||
|
十、节能环保支出 |
||||||
|
十一、城乡社区支出 |
||||||
|
十二、农林水支出 |
||||||
|
十三、交通运输支出 |
||||||
|
十四、资源勘探工业信息等支出 |
||||||
|
十五、商业服务业等支出 |
||||||
|
十六、金融支出 |
||||||
|
十七、援助其他地区支出 |
||||||
|
十八、自然资源海洋气象等支出 |
||||||
|
十九、住房保障支出 |
13.95 |
13.95 |
||||
|
二十、粮油物资储备支出 |
||||||
|
二十一、国有资本经营预算支出 |
||||||
|
二十二、灾害防治及应急管理支出 |
||||||
|
二十三、其他支出 |
45.98 |
45.98 |
||||
|
二十四、债务还本支出 |
||||||
|
二十五、债务付息支出 |
||||||
|
二十六、抗疫特别国债安排的支出 |
||||||
|
本年收入合计 |
527.77 |
本年支出合计 |
527.77 |
481.80 |
45.98 |
|
|
年初财政拨款结转和结余 |
年末财政拨款结转和结余 |
|||||
|
一般公共预算财政拨款 |
||||||
|
政府性基金预算财政拨款 |
||||||
|
国有资本经营预算财政拨款 |
||||||
|
总计 |
527.77 |
总计 |
527.77 |
481.80 |
45.98 |
|
备注:1.本表反映部门本年度一般公共预算财政拨款、政府性基金预算财政拨款及国有资本经营预算财政拨款的总收支和年末结转结余情况。
2.本套报表金额单位转换时可能存在尾数误差。
|
一般公共预算财政拨款支出决算表 | ||||
|
公开部门:中国共产主义青年团重庆市南岸区委员会 |
公开05表 | |||
|
单位:万元 | ||||
|
项目 |
本年支出 | |||
|
功能分类科目编码 |
项目(按“项”级功能分类科目) |
合计 |
基本支出 |
项目支出 |
|
合计 |
481.80 |
236.90 |
244.90 | |
|
201 |
一般公共服务支出 |
425.15 |
180.25 |
244.90 |
|
20129 |
群众团体事务 |
425.15 |
180.25 |
244.90 |
|
2012901 |
行政运行 |
100.50 |
100.50 |
|
|
2012902 |
一般行政管理事务 |
172.66 |
172.66 | |
|
2012950 |
事业运行 |
79.75 |
79.75 |
|
|
2012999 |
其他群众团体事务支出 |
72.24 |
72.24 | |
|
208 |
社会保障和就业支出 |
31.06 |
31.06 |
|
|
20805 |
行政事业单位养老支出 |
31.06 |
31.06 |
|
|
2080505 |
机关事业单位基本养老保险缴费支出 |
20.71 |
20.71 |
|
|
2080506 |
机关事业单位职业年金缴费支出 |
10.35 |
10.35 |
|
|
210 |
卫生健康支出 |
11.63 |
11.63 |
|
|
21011 |
行政事业单位医疗 |
11.63 |
11.63 |
|
|
2101101 |
行政单位医疗 |
6.31 |
6.31 |
|
|
2101102 |
事业单位医疗 |
3.72 |
3.72 |
|
|
2101103 |
公务员医疗补助 |
0.80 |
0.80 |
|
|
2101199 |
其他行政事业单位医疗支出 |
0.80 |
0.80 |
|
|
221 |
住房保障支出 |
13.95 |
13.95 |
|
|
22102 |
住房改革支出 |
13.95 |
13.95 |
|
|
2210201 |
住房公积金 |
13.95 |
13.95 |
|
备注:1.本表反映部门本年度一般公共预算财政拨款支出情况。
2.本套报表金额单位转换时可能存在尾数误差。
|
一般公共预算财政拨款基本支出决算表 | ||||||||
|
公开部门:中国共产主义青年团重庆市南岸区委员会 |
公开06表 | |||||||
|
单位:万元 | ||||||||
|
人员经费 |
公用经费 | |||||||
|
经济分类科目编码 |
经济分类科目(按“款”级功能分类科目) |
金额 |
经济分类科目编码 |
经济分类科目(按“款”级功能分类科目) |
金额 |
经济分类科目编码 |
经济分类科目(按“款”级功能分类科目) |
金额 |
|
301 |
工资福利支出 |
200.34 |
302 |
商品和服务支出 |
36.56 |
310 |
资本性支出 |
|
|
30101 |
基本工资 |
41.39 |
30201 |
办公费 |
8.65 |
31001 |
房屋建筑物购建 |
|
|
30102 |
津贴补贴 |
19.93 |
30202 |
印刷费 |
0.40 |
31002 |
办公设备购置 |
|
|
30103 |
奖金 |
35.72 |
30203 |
咨询费 |
31003 |
专用设备购置 |
||
|
30106 |
伙食补助费 |
30204 |
手续费 |
31005 |
基础设施建设 |
|||
|
30107 |
绩效工资 |
45.41 |
30205 |
水费 |
0.03 |
31006 |
大型修缮 |
|
|
30108 |
机关事业单位基本养老保险缴费 |
20.71 |
30206 |
电费 |
0.43 |
31007 |
信息网络及软件购置更新 |
|
|
30109 |
职业年金缴费 |
10.35 |
30207 |
邮电费 |
1.56 |
31008 |
物资储备 |
|
|
30110 |
职工基本医疗保险缴费 |
10.03 |
30208 |
取暖费 |
31009 |
土地补偿 |
||
|
30111 |
公务员医疗补助缴费 |
30209 |
物业管理费 |
31010 |
安置补助 |
|||
|
30112 |
其他社会保障缴费 |
2.09 |
30211 |
差旅费 |
0.28 |
31011 |
地上附着物和青苗补偿 |
|
|
30113 |
住房公积金 |
13.95 |
30212 |
因公出国(境)费用 |
31012 |
拆迁补偿 |
||
|
30114 |
医疗费 |
30213 |
维修(护)费 |
31013 |
公务用车购置 |
|||
|
30199 |
其他工资福利支出 |
0.76 |
30214 |
租赁费 |
31019 |
其他交通工具购置 |
||
|
303 |
对个人和家庭的补助 |
30215 |
会议费 |
31021 |
文物和陈列品购置 |
|||
|
30301 |
离休费 |
30216 |
培训费 |
0.39 |
31022 |
无形资产购置 |
||
|
30302 |
退休费 |
30217 |
公务接待费 |
31099 |
其他资本性支出 |
|||
|
30303 |
退职(役)费 |
30218 |
专用材料费 |
312 |
对企业补助 |
|||
|
30304 |
抚恤金 |
30224 |
被装购置费 |
31201 |
资本金注入 |
|||
|
30305 |
生活补助 |
30225 |
专用燃料费 |
31203 |
政府投资基金股权投资 |
|||
|
30306 |
救济费 |
30226 |
劳务费 |
31204 |
费用补贴 |
|||
|
30307 |
医疗费补助 |
30227 |
委托业务费 |
31205 |
利息补贴 |
|||
|
30308 |
助学金 |
30228 |
工会经费 |
14.55 |
31299 |
其他对企业补助 |
||
|
30309 |
奖励金 |
30229 |
福利费 |
1.73 |
399 |
其他支出 |
||
|
30310 |
个人农业生产补贴 |
30231 |
公务用车运行维护费 |
39907 |
国家赔偿费用支出 |
|||
|
30311 |
代缴社会保险费 |
30239 |
其他交通费用 |
5.31 |
39908 |
对民间非营利组织和群众性自治组织补贴 |
||
|
30399 |
其他对个人和家庭的补助 |
30240 |
税金及附加费用 |
39909 |
经常性赠与 |
|||
|
30299 |
其他商品和服务支出 |
3.22 |
39910 |
资本性赠与 |
||||
|
307 |
债务利息及费用支出 |
39999 |
其他支出 |
|||||
|
30701 |
国内债务付息 |
|||||||
|
30702 |
国外债务付息 |
|||||||
|
30703 |
国内债务发行费用 |
|||||||
|
30704 |
国外债务发行费用 |
|||||||
|
人员经费合计 |
200.34 |
公用经费合计 |
36.56 | |||||
备注:1.本表反映部门本年度一般公共预算财政拨款基本支出明细情况。
2.本套报表金额单位转换时可能存在尾数误差。
|
政府性基金预算财政拨款收入支出决算表 | |||||||
|
公开部门:中国共产主义青年团重庆市南岸区委员会 |
公开07表 | ||||||
|
单位:万元 | |||||||
|
项目 |
年初结转和结余 |
本年收入 |
本年支出 |
年末结转和结余 | |||
|
功能分类科目编码 |
项目(按“项”级功能分类科目) |
合计 |
基本支出 |
项目支出 | |||
|
合计 |
45.98 |
45.98 |
45.98 |
||||
|
229 |
其他支出 |
45.98 |
45.98 |
45.98 |
|||
|
22960 |
彩票公益金安排的支出 |
45.98 |
45.98 |
45.98 |
|||
|
2296004 |
用于教育事业的彩票公益金支出 |
45.98 |
45.98 |
45.98 |
|||
备注:1.本表反映部门本年度政府性基金预算财政拨款收入支出及结转和结余情况。
2.本套报表金额单位转换时可能存在尾数误差。
|
国有资本经营预算财政拨款支出决算表 | ||||
|
公开部门:中国共产主义青年团重庆市南岸区委员会 |
公开08表 | |||
|
单位:万元 | ||||
|
项目 |
本年支出 | |||
|
功能分类科目编码 |
科目名称 |
合计 |
基本支出 |
项目支出 |
|
合计 |
||||
备注:本表反映部门本年度国有资本经营预算财政拨款支出情况。本部门无国有资本经营收支,故本表无数据。
|
机构运行信息表 | ||||
|
公开09表 | ||||
|
公开部门:中国共产主义青年团重庆市南岸区委员会 |
单位:万元 | |||
|
项目 |
预算数 |
决算数 |
项目 |
决算数 |
|
一、“三公”经费支出 |
— |
— |
五、机关运行经费 |
23.89 |
|
(一)支出合计 |
(一)行政单位 |
23.89 | ||
|
1.因公出国(境)费 |
(二)参照公务员法管理事业单位 |
|||
|
2.公务用车购置及运行维护费 |
六、资产信息 |
— | ||
|
(1)公务用车购置费 |
(一)车辆数合计(辆) |
|||
|
(2)公务用车运行维护费 |
1.副部(省)级及以上领导用车 |
|||
|
3.公务接待费 |
2.主要领导干部用车 |
|||
|
(1)国内接待费 |
— |
3.机要通信用车 |
||
|
其中:外事接待费 |
— |
4.应急保障用车 |
||
|
(2)国(境)外接待费 |
— |
5.执法执勤用车 |
||
|
(二)相关统计数 |
— |
— |
6.特种专业技术用车 |
|
|
1.因公出国(境)团组数(个) |
— |
7.离退休干部用车 |
||
|
2.因公出国(境)人次数(人) |
— |
8.其他用车 |
||
|
3.公务用车购置数(辆) |
— |
(二)单价100万元(含)以上设备(不含车辆) |
||
|
4.公务用车保有量(辆) |
— |
七、政府采购支出信息 |
— | |
|
5.国内公务接待批次(个) |
— |
(一)政府采购支出合计 |
113.67 | |
|
其中:外事接待批次(个) |
— |
1.政府采购货物支出 |
||
|
6.国内公务接待人次(人) |
— |
2.政府采购工程支出 |
||
|
其中:外事接待人次(人) |
— |
3.政府采购服务支出 |
113.67 | |
|
7.国(境)外公务接待批次(个) |
— |
(二)政府采购授予中小企业合同金额 |
113.67 | |
|
8.国(境)外公务接待人次(人) |
— |
其中:授予小微企业合同金额 |
||
|
二、会议费 |
— |
0.86 |
||
|
三、培训费 |
— |
2.45 |
||
|
四、差旅费 |
— |
0.28 |
||
备注:1.本表反映部门本年度财政拨款“三公”经费支出预决算情况。其中,预算数为“三公”经费全年预算数,反映按规定程序调整后的预算数;决算数为包括本年度财政拨款和以前年度结转资金安排的实际支出。
2.本套报表金额单位转换时可能存在尾数误差。
国务院部门网站
地方政府网站
市政府部门网站
区(县)政府网站
其他网站
版权所有:重庆市南岸区人民政府 主办:重庆市南岸区人民政府办公室
ICP备案:渝ICP备2021011583号 政府网站标识码:5001080014 渝公网安备:50010802001142号